Hallo zusammen,
am 16.11.24 habe ich von einer Wiese im Naherholungsgebiet Hohenstein, eine Kollektion kleiner Mycena-artigen Basidiomyceten eingesammelt.
Zuhause gab es dann die dicke Überraschung.
Keine Mycena habe ich eingesammelt, sondern eine Macrocystidia cucumis.
Als ich mit meinem Fund vor paar Jahren (Siehe hier) verglichen habe, hat sich herausgestellt, dass dieser Fund sogar nicht zu Macrocystidia cucumis passt.
Dieser Fund ist nicht nur kleiner, auch die Lamellen sind nicht so dich gedrängt und hat am Hut Streifen.
Letztendlich bin ich auf den Namen Macrocystidia cucumis var. latifolia gestoßen, der mir sehr gefällt.
Einen ähnlichen, wenn nicht sogar gleichen Fund hat Matthias gefunden (Siehe hier).
Ich glaube, dass die Macrocystidia cucumis ein Aggregat ist und die Macrocystidia cucumis var. latifolia eine eigenständige Art ist.
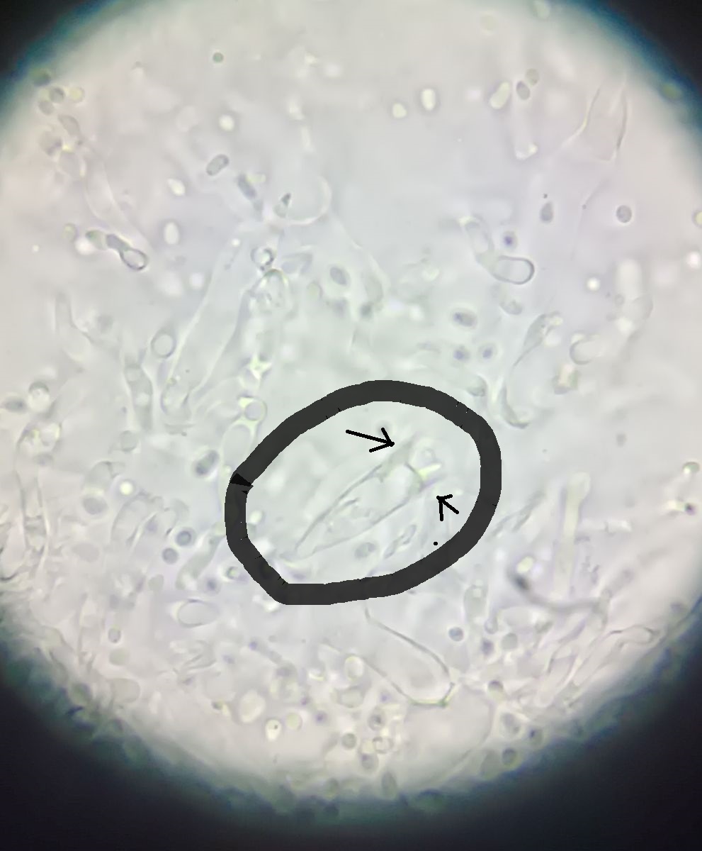
Meine Sporen sind deutlich länger und auch breiter als bei meinen Macrocystidia cucumis Fund.
Ich habe die Beschreibung der Macrocystidia cucumis var. latifolia aus der Flora Danica 4 angeschaut und dort wird auch die Macrocystidia cucumis mit deutlich kleineren Sporen angegeben.
Hier sind die Bilder:
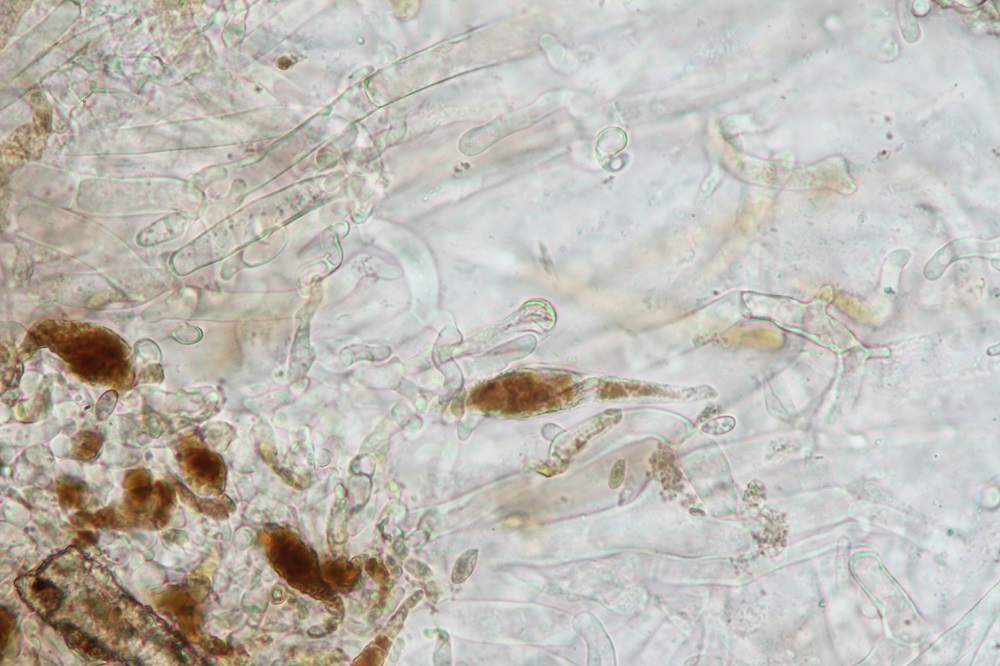
Es wurden keine Pleurozystiden fotografiert, sie waren aber vorhanden und sahen wie die Cheilozystiden aus.
1.1

1.2

1.3

1.4

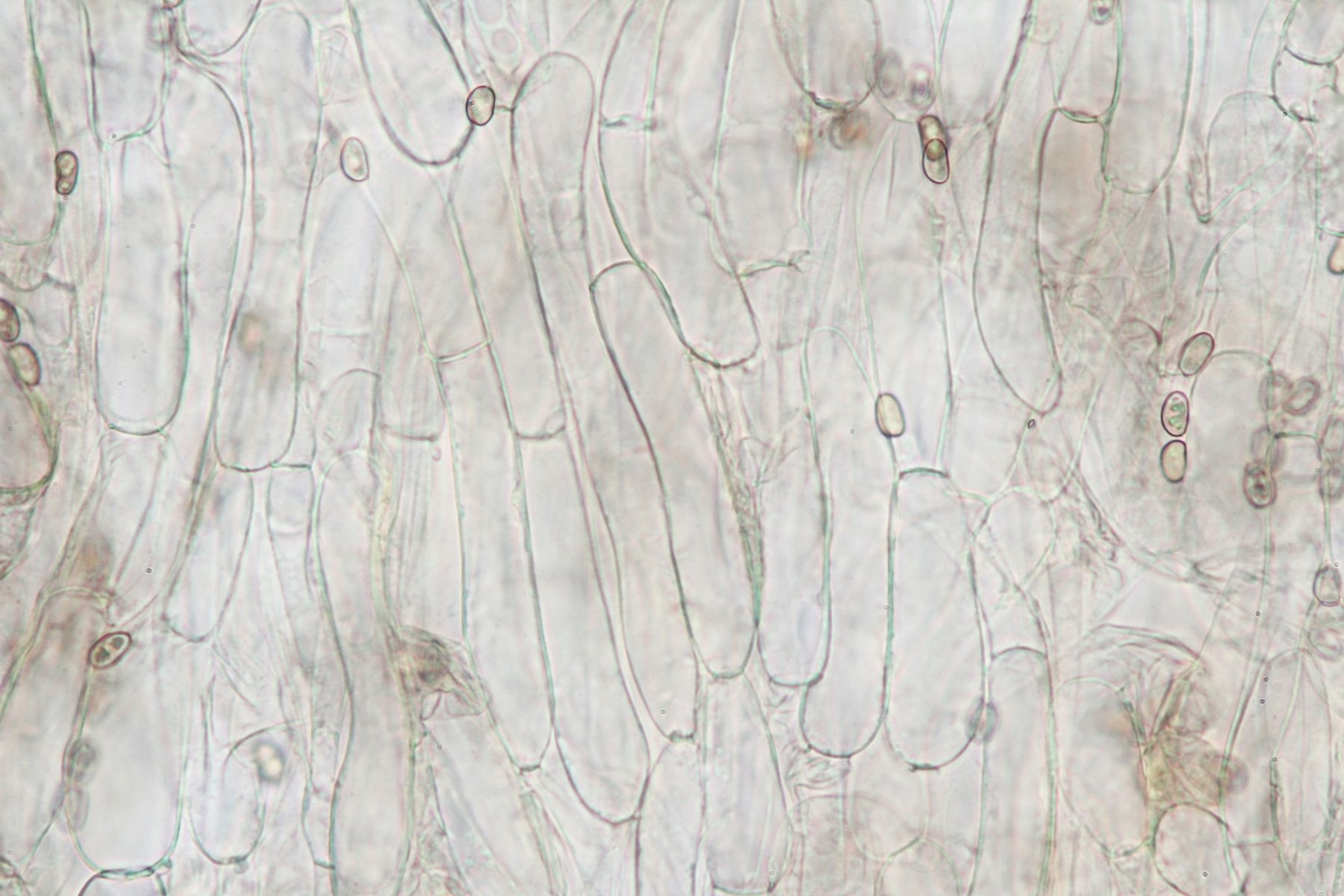
1.5 Cheilozystiden in Kongorot (H20)

1.6 in Kongorot (H20)

1.7 Kaulozystiden

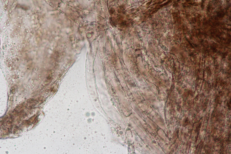
1.8 HDS mit Zystiden

1.9

Flora Danica 4 Seite 25

VG : Thorben