Hallo zusammen,
am Samstag bin ich von Dinslaken aus ins Rotbachtal gewandert. Die Hoffnung war ja, diesmal die große Pilzschwemme im Rotbachtal zu erwischen. Es gab auch schon mehr als vor einer Woche, aber es ist auch noch viel Luft nach oben.
1. Uromyces valerianae ex Valeriana officinalis agg.













2. Taphrina farlowii ex Prunus serotina

3. Puccinia coronata ex Festuca gigantea


4. Cantherellus cibarius



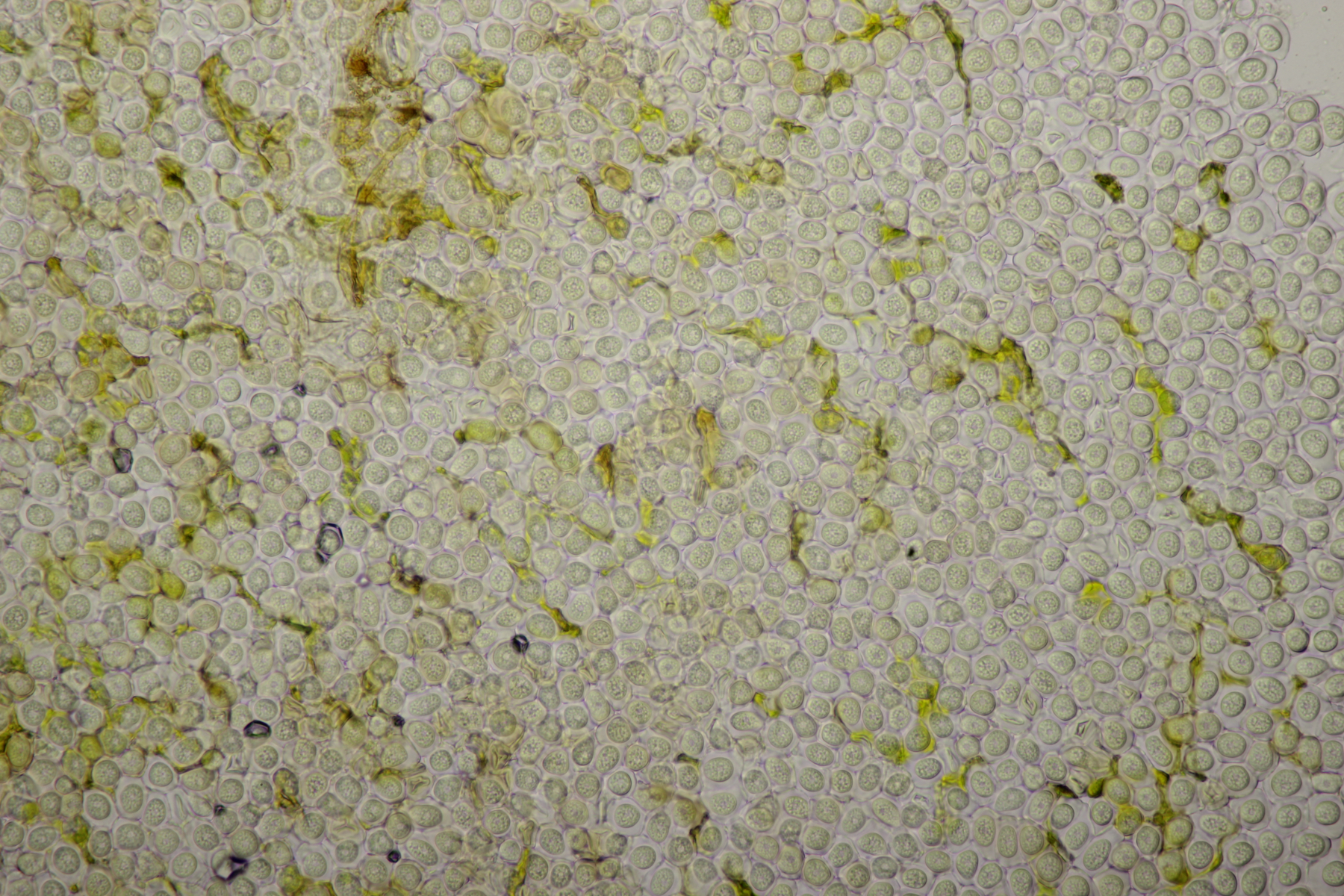
5. Täubling unter Quercus und Fagus, Geschmack mild, aber irgendwie metallisch, mit Guajak nach 5 Sekunden einsetztende Reaktion, mit Eisensulfat relativ zügig orange. Sporenpulver IVe. Gibt es Einwände gegen Russula risigallina?





Bei der Huthaut scheint auch etwas Lamelle mit ins Präparat geraten zu sein. War leider schon recht matschig nach dem Aussporen.




6. Extrem kleiner Täubling unter Fagus, Geschmack ebenfalls metallisch, chemische Reaktionen wie bei 5. Sporenabwurf ist leider gescheitert und danach war der Fruchtkörper auch noch von Schimmel überzogen. Aber die Tendenz geht hier auch zu Russula risigallina



7. Delicatula integrella

8. Orbilia sp.








9. Marasmius rotula



10. Crepidotus crocophyllus. Davon wollte ich am nächsten Tag dann auch ein Exemplar zur APR-Exkursion mitnehmen. Leider hat mich die Kombination aus Köfferchen und Korb in der S-Bahn überfordert und ich habe den Koffer liegenlassen. Jetzt fährt er also munter mit der S1 hin und her...







Huthaut




Lamelle






Sporen



11. Ceratiomya fruticosa var. porioides

12. Fuligo septica agg.

13. Russula violeipes

14. Noch eine Russula. Unter Fagus, Geschmack mild, kein Geruch feststellbar, Sporenpulver IIa-b, praktisch keine Rekation mit Guajak, mit Eisensulfat recht zügig orange















15. Puccinia difformis ex Galium aparine





16. Microbotryum stellariae ex Stellaria sp.







17. Phragmidium violaceum ex Rubus fruticosus agg.







Björn