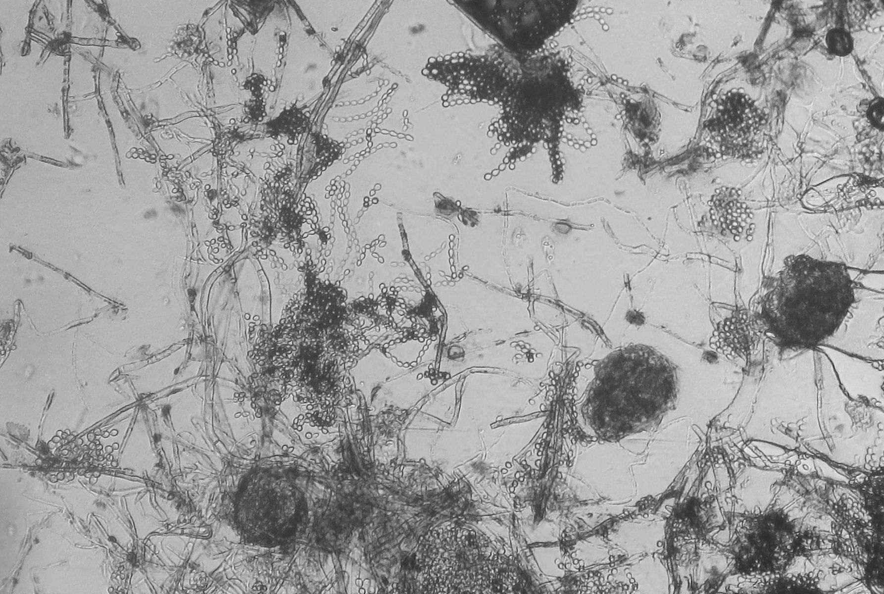
Mustard yellow colony, possibly an Aspergillus, but a very strange one!

Es gibt 2 Antworten in diesem Thema, welches 1.812 mal aufgerufen wurde. Der letzte Beitrag () ist von Steve_mt.